設計
【機械設計の基礎】機械設計の基礎
機械を設計するために必要な知識や技術の基礎について 機械設計とは、世に無い欲しい物を作るために、欲しい機能・仕様から設計書などの書類(データ)を作成して実際に物を作り出せるようにすることです。 機械には数の違いや形状 […]
【機械設計の基礎】公差
機械部品を製作する際、加工により若干の誤差が発生します。 例えば、図面指示は10mmの角穴であっても、実際には10.5mmであったり、9.8mmであったりと正確に加工する事は困難です。 また、一辺の長さとは別に、ある基 […]
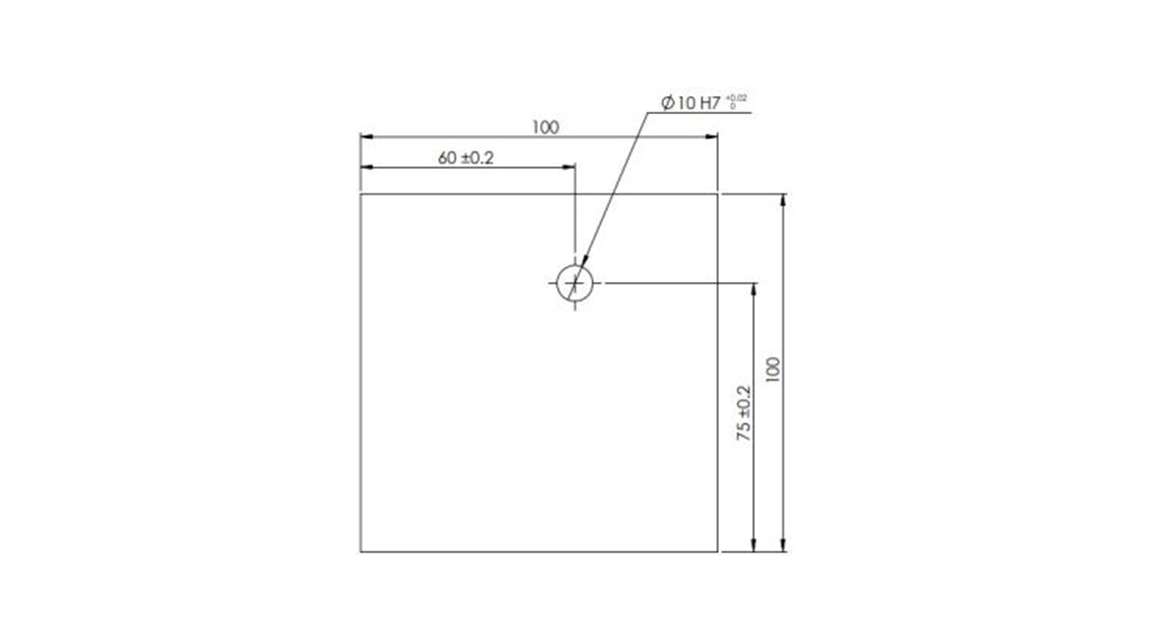
【機械設計の基礎】寸法公差-基礎知識
寸法とは、ある基準からの距離や角度など、部品の形状の大きさを数値で示したものです。 寸法公差とは、部品の形状に対する寸法値の誤差を、許容される範囲に収まるように指示するものです。 実際に出来上がった部品の寸法(実寸 […]
【機械設計の基礎】寸法公差-許容差について
部品を製作するうえで、部品同士の干渉を避けるためや、動作に問題の起こらないように設計をしていても、設計寸法と実寸法にはズレがあり、常に正確ではありません。 そのため、加工による寸法のズレを許容できる最大値と最小値の範囲 […]
【機械設計の基礎】幾何公差-基礎知識
幾何公差とは、大きさを決める寸法とは別に、部品の形状自体への誤差を許容できる値を問題が起こらない範囲に収まるように指示するものです。 例えば、相手部品側に通して使用する、真直ぐの丸棒で、両端の面は平行な部品が欲しいときに […]
【機械設計の基礎】幾何公差記号
記号 形状公差 真直度 直線形状がどの程度真直ぐかを指定します 平面度 平面部がどの程度平滑かを指定します 真円度 円筒や円錐の断面や丸穴がどの程度まるいかを指定します 円筒度 円筒形状がどの程度まるくて真直ぐかを指定し […]
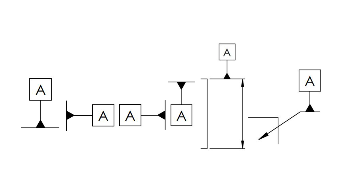
【機械設計の基礎】幾何公差-図面指示
・幾何公差の図面指示は、長方形の公差記入枠を用います。 枠内の左から順番に、公差の種類を示す記号と、公差の数値を仕切った区分に記入します。 データムを指示する場合は右側に追加します。 データムが複数ある場合は、優先 […]
【機械設計の基礎】溶接記号表
基本記号 I形開先 V形開先 レ形開先 J形開先 U形開先 ヘリ溶接 レ形フレア開先 V形フレア開先 すみ肉溶接 (連続) すみ肉溶接 (断続) 両側すみ肉溶接 (連続) 両側断続すみ肉溶接(並列) 両側断続すみ肉溶接( […]
【機械設計の基礎】溶接記号の書き方
溶接の説明線は、溶接箇所に溶接施工内容の記号を表示するために用いるものです。 矢と基線及び尾の3要素で構成されおり、尾は特記事項など必要が無ければ省略できます。 また、基本記号の位置で、矢で指定した側と溶接する側を指示し […]
