アルミ製ブスバー加工事例
カブクの加工事例
アルミ製ブスバー加工
銅製ブスバーを使用しているお客様から価格低減のご相談を受けた事例のご紹介です。
昨今の銅価格上昇に伴い、お客様は工場との価格交渉に費やす時間が増えてきたとお困りでした。
弊社に価格低減のご相談を受けたため、アルミ製(A1050)ブスバーをご提案いたしました。
銅(C1020)の電気伝導率を100とした場合、A1050の電気伝導率は60となるので同等の伝導率を保つためには体積を多くする等の設計変更が必要となりましたが、コストは30%ダウンすることができました。結果、設計変更にかかるコスト以上に価格を抑えることができたため、十分な費用対効果を得られました。
また、工場との価格交渉に費やす時間が増えていた問題も解消できました。


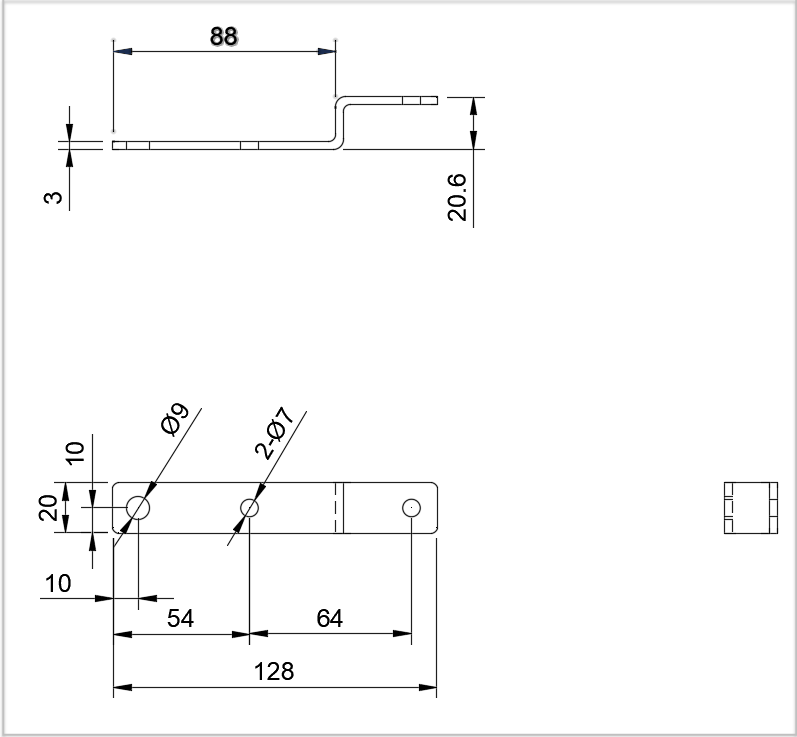
材 質 | A1050 |
---|---|
使用設備 | CNC |
サイズ | 128.0 x 20.0 x 20.6 (mm) 板厚3mm |
特徴詳細 | ニッケルメッキ処理 30%コストダウンを実現 販売価格@2,180円(10個製作時) |
カブクはベテランの調達担当、各種加工経験者、機械設計者等多様な人材が部品調達をサポート。加工の実現性からみた調達コスト低減の提案、お客様の設計見直しのご支援等、お客様の最適な調達を強力に支援しています。