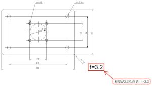
補助記号 tの使い方 補助記号 t の使い方 板材の厚みを寸法指示をしないで指示する場合に使用します。 ※平板の場合は、他面の投影図は不要です。 最短5秒で見積もり、発注 オンデマンド製造プラットフォーム Kabuku Connect (カブクコネクト) 詳しく見る 資料請求 補助記号 ⌒(円弧)の使い方 補助記号 tの使い方 補助記号 CRの使い方